Codificadoras Inkjet - Precio y Calidad

Codificadora InkJet CIJ H9P

Impresora Codificadora InkJet CIJ Codifec H9P

Tinta pigmentada

Imprime código de barras, Datamatrix, QR logotipo hasta 5 lineas.

  • Categoria Codificadora, CIJ
  • Descripción
  • Documentos
  • Video

Especificaciones

...

Vista Frontal

...

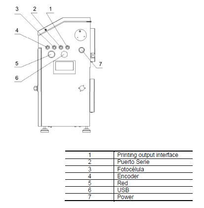
Vista lateral

...

Cabezal

...